Î. S. „Administrația de Stat a Drumurilor” informează despre desfășurarea unui studiu origine-destinație (O-D) în perioada 24 mai 2024 – 31 mai 2024, parte a proiectului „Elaborarea studiului de prefezabilitate pentru construcția drumului de centură a or. Chișinău, sectoarele 4, 5, 6”.
În cadrul acestui studiu, va fi efectuată anchetarea participanților la trafic și a posesorilor de unități de transport, care vor fi opriți în zonele special amenajate (posturile de anchetă) de către agenții de circulație din cadrul Inspectoratului Național de Securitate Publică (INSP). Aceste acțiuni sunt necesare pentru colectarea datelor esențiale în vederea evaluării și planificării corecte a proiectului.
Locațiile posturilor de anchetă sunt următoarele:
- Traseul R2 Chișinău-Bender-Tiraspol-M5, sectorul cuprins între km 18,500 – 19,500;
- Traseul R3 Chișinău-Hîncești-Cimișlia-Basarabeasca-fr. cu Ucraina,
sectorul dintre km 12,000 și 13,000 (doar direcția spre municipiul Chișinău).
Obiectivul principal al acestui studiu origine-destinație constă în colectarea informațiilor detaliate privind nevoilor reale ale participanților la trafic, pentru optimizarea proiectului de construcție a drumului de centură al orașului Chișinău, sectoarele 4, 5, și 6, în vederea îmbunătățirii infrastructurii rutiere, creșterii siguranței și fluidizării traficului.
Administrația de Stat a Drumurilor îndeamnă toți participanții la trafic să respecte indicațiile agenților de circulație și să participe activ la acest studiu, răspunzând la întrebările acestora. De asemenea, Vă rugăm să respectați semnalizarea temporară în sectoarele menționate și să manifestați înțelegere.
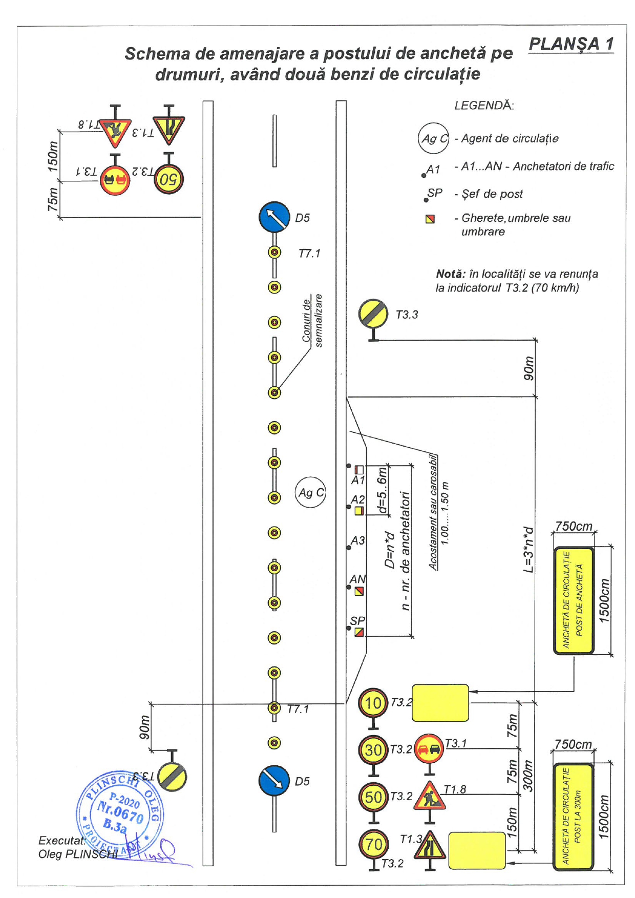
Schema de amenajare a posturilor și harta punctelor de anchetă sunt anexate mai jos.






